Запасные части ЧТЗ Запасные части ЧТЗ
Ханты-Мансийск
Например:
Актобе
Алдан
или
Выбрать автоматически
Актобе
Алдан
Алматы
Алчевск
Архангельск
Астана
Астрахань
Атырау
Баку
Балашиха
Барнаул
Белгород
Бердянск
Бишкек
Владивосток
Владикавказ
Воркута
Воронеж
Горловка
Грозный
Донецк
Екатеринбург
Иваново
Ижевск
Иркутск
Казань
Калининград
Каменск-Уральский
Караганда
Каховка
Кемерово
Киров
Комсомольск-на-Амуре
Костанай
Краснодар
Красноярск
Красный луч
Ленск
Луганск
Магадан
Магнитогорск
Макеевка
Махачкала
Мелитополь
Минск
Мирный (Якутия)
Москва
Мурманск
Нерюнгри
Нижневартовск
Нижний Новгород
Нижний Тагил
Новая каховка
Новокузнецк
Новосибирск
Новый Уренгой
Норильск
Ноябрьск
Нур-Султан
Омск
Оренбург
Ош
Павлодар
Пермь
Петрозаводск
Петропавловск
Петропавловск-Камчатский
Псков
Ростов-на-Дону
Салехард
Самара
Санкт-Петербург
Саратов
Севастополь
Семей
Симферополь
Сочи
Ставрополь
Сургут
Сыктывкар
Тараз
Ташкент
Токмак
Томск
Тында
Тюмень
Ульяновск
Усинск
Усть-Каменогорск
Уфа
Хабаровск
Ханты-Мансийск
Херсон
Челябинск
Чита
Шымкент
Экибастуз
Энергодар
Южно-Сахалинск
Якутск
Ваш город
Ханты-Мансийск
Войти
Запасные части к тракторам на одном сайте
+7 (932) 303-00-10
+7 (932) 303-00-10
г. Ханты-Мансийск, ул. Объездная, д. 3
Пн-Пт: 9:30-18:30 Cб-Вс: Выходной
Отправить заявку


Регулирование муфты сцепления, сервомеханизма муфты сцепления и блокировочного механизма Т-170 Б-170 трактора в Ханты-Мансийске


/
с НДС 20%
Описание
  1. Установите рычаги механизмов переключения коробки передач в нейтральное положение. Откройте люк кожуха муфты сцепления.
    b8099dab942713f454e57f66bb2d8e97-min.jpg
    Рис. 224. Регулирование муфты сцепления
    Расконтрите регулировочные гайки 3 ( рис. 224 ) всех трех рычагов 2. Установите с помощью шаблона вращением регулировочных гаек 3 трех рычагов зазор А=(10±1) мм между фланцем 1 и отжимной муфтой 4, между рычагами 2 и отжимной муфтой 4 зазор В= 0,0...0,2 мм. Зашплинтуйте регулировочные гайки 3.

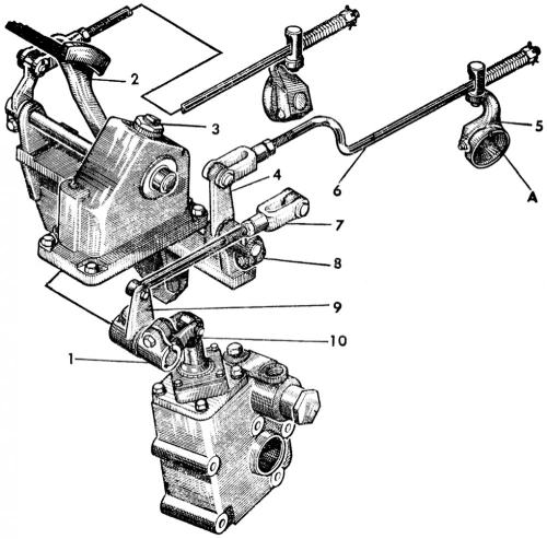
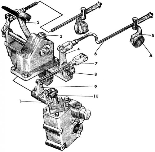
  2. Отрегулируйте свободный ход штока 10 ( рис. 225 ) сервомеханизма следующим образом:
    am644ubdip9x0cec6dmpp2kt2wncp7po (1).jpg
    Рис. 225. Регулирование сервомеханизма муфты сцепления и блокировочного механизма
    • при отпущенной педали 2 упором 3 на колонке педали отрегулируйте между штоком 10 сервомеханизма и роликом нажимного рычага 1 зазор 0,5...1 мм;
    • отрегулируйте при неработающем дизеле шаровой гайкой 5 ( см. рис. 224 ), находящейся внутри кожуха муфты сцепления, свободный ход штока сервомеханизма (утопание штока при нажатии на педаль до упора), равный 14...15 мм.

  3. Отрегулируйте блокировочный механизм при включенной муфте сцепления при отпущенной педали 2 ( см. рис. 225 ) следующим образом:
    • отклоните рычаг 4 от вертикального положения на угол (18±3)° вперед по ходу трактора и соедините рычаг 8 регулировочной тягой 7 с рычагом 9 на кожухе муфты сцепления. Отрегулируйте тяги 6 так, чтобы рычаг 5 находился в положении, когда риска А на торце рычага совпадает с риской на корпусе валика фиксаторов. Рычаг 5 повернут по ходу трактора на угол 30° от вертикального положения. Угол 30° по. ходу трактора соответствует закрытому положению блокировочного механизма.

  4. Проверьте ход педали муфты сцепления при работающем дизеле: педаль 2 при нажатии на нее должна без заеданий возвращаться в исходное положение.

  5. При заедании педали проверьте, правильно ли установлены тяги и нет ли заедания их в проушинах рычагов от действия предохранительных пружин при неполном включении передач или зависании фиксаторов.

  6. Проверьте работу штока сервомеханизма при работающем дизеле. Шток должен быстро возвращаться в исходное положение после снятия усилия с педали 2.
Регулирование муфты сцепления, сервомеханизма муфты сцепления и блокировочного механизма