Запасные части ЧТЗ Запасные части ЧТЗ
Ханты-Мансийск
Например:
Актобе
Алдан
или
Выбрать автоматически
Актобе
Алдан
Алматы
Алчевск
Архангельск
Астана
Астрахань
Атырау
Баку
Балашиха
Барнаул
Белгород
Бердянск
Бишкек
Владивосток
Владикавказ
Воркута
Воронеж
Горловка
Грозный
Донецк
Екатеринбург
Иваново
Ижевск
Иркутск
Казань
Калининград
Каменск-Уральский
Караганда
Каховка
Кемерово
Киров
Комсомольск-на-Амуре
Костанай
Краснодар
Красноярск
Красный луч
Ленск
Луганск
Магадан
Магнитогорск
Макеевка
Махачкала
Мелитополь
Минск
Мирный (Якутия)
Москва
Мурманск
Нерюнгри
Нижневартовск
Нижний Новгород
Нижний Тагил
Новая каховка
Новокузнецк
Новосибирск
Новый Уренгой
Норильск
Ноябрьск
Нур-Султан
Омск
Оренбург
Ош
Павлодар
Пермь
Петрозаводск
Петропавловск
Петропавловск-Камчатский
Псков
Ростов-на-Дону
Салехард
Самара
Санкт-Петербург
Саратов
Севастополь
Семей
Симферополь
Сочи
Ставрополь
Сургут
Сыктывкар
Тараз
Ташкент
Токмак
Томск
Тында
Тюмень
Ульяновск
Усинск
Усть-Каменогорск
Уфа
Хабаровск
Ханты-Мансийск
Херсон
Челябинск
Чита
Шымкент
Экибастуз
Энергодар
Южно-Сахалинск
Якутск
Ваш город
Ханты-Мансийск
Войти
Запасные части к тракторам на одном сайте
+7 (932) 303-00-10
+7 (932) 303-00-10
г. Ханты-Мансийск, ул. Объездная, д. 3
Пн-Пт: 9:30-18:30 Cб-Вс: Выходной
Отправить заявку


Гидрооборудование БО для ДЭТ-250М2Б


/
с НДС 20%
Описание
Гидрооборудование отвала ДЭТ-250М2Б
Поз. Обозначение Наименование Кол-во
749-72-5СП 1 Гидрооборудование бульдозера
1 Болт М16-8g×30.58.019 2
2 Шайба 16 ОТ 65Г 09 2
3 749-72-256СП Кожух 1
4 50-26-485СП Рукав 16 4
5 749-72-240СП Гидрораскос 1
6 Болт М8-6g×25.88.35.019 4
7 Шайба 8Т 65Г 09 4
8 700-30-2308 Гайка 2
9 749-72-387 Крышка 1
10 749-72-388 Прокладка 1
11 Болт М10-6g×40.58.019 3
12 749-72-13 Хомут 3
13 749-72-14 Прокладка 3
14 749-72-241СП Труба 2
15 749-72-30 Проходник 2
16 749-72-31 Штуцер 2
17 Кольцо 020-025-30-2-2 8
18 749-72-29 Муфта 2
19 Кольцо С25 65Г Ц9Хр 2
20 749-72-257СП Кожух 1
21 749-72-196СП Труба 1
22 749-72-195СП Труба 1
23 749-72-410 Кожух 1
24 700-58-148 Заглушка 2
25 Болт М10-6g×20.58.019 12
26 Шайба 10 ОТ 65Г 09 12
1 Для бульдозерного оборудования 748-96-1СП.

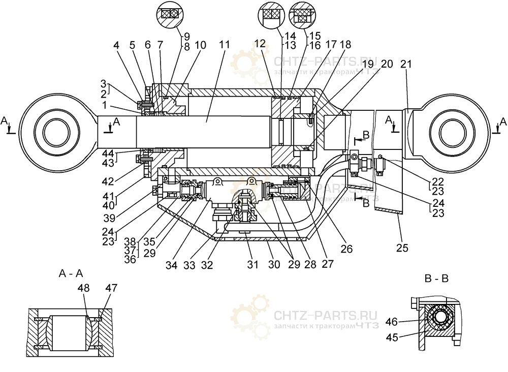
Гидрораскос отвала ДЭТ-250М2Б


Гидрораскос отвала ДЭТ-250М2Б
Поз. Обозначение Наименование Кол-во
749-72-240СП Гидрораскос
1 749-72-269 Втулка 1
2 Болт М12-6g×35.58.019 12
3 Шайба 12 ОТ 65Г 09 12
4 749-72-258 Скребок 1
5 749-72-428;
Кольцо нажимное;
КН 100×125-2
1
6 Манжета М 100×125-2 3
7 749-72-427;
Кольцо опорное;
КО 100×125-2
1
8 749-72-262;
749-72-262-01
Кольцо распорное 1
9 Кольцо 210-220-58-2-2 1
10 749-72-187СП Крышка 1
11 749-72-257 Шток 1
12 749-72-266;
Втулка;
Кольцо Е21-220-20-4
2
13 749-72-263;
749-72-263-01
Кольцо распорное 1
14 Кольцо 079-085-36-2-2 1
15 749-72-265;
749-72-265-01
Кольцо 2
16 Кольцо 200-210-58-2-2 2
17 749-72-260 Поршень 1
18 749-72-268 Винт 1
19 749-72-267 Гайка 1
20 749-72-264 Кольцо защитное 1
21 749-72-242СП Корпус 1
22 700-28-2621 Болт 8
23 Шайба 16ОТ 65Г 09 14
24 700-28-2618 Болт 6
25 749-72-244СП Кожух 1
26 Кольцо 030-035-30-2-2 4
27 749-72-245 Фланец 1
28 700-57-567 Ниппель 1
29 700-40-7939 Кольцо 4
30 749-72-243СП Кожух 1
31 749-72-280СП Труба 1
32 700-41-3533 Штуцер 2
33 749-72-279СП Труба 1
34 50-50-195CП Гидрозамок 1
35 700-57-1059 Штуцер 1
36 749-72-185СП Фланец 1
37 749-72-184СП Клапан 1
38 Болт М24-8g×65.58.019 12
39 Шайба 24 Т 65Г 09 12
40 749-72-261 Шайба регулировочная 78
41 749-72-259 Чистик 16
42 749-72-259-01 Чистик 8
43 749-72-512 Планка 2
44 42212 Муфточка 2
45 700-58-2084 Кольцо 4
46 Подшипник ШСЛ-80 2

Гидрозамок отвала ДЭТ-250М2Б


Гидрозамок отвала ДЭТ-250М2Б
Поз. Обозначение Наименование Кол-во
50-50-195CП Гидрозамок
1 50-50-279 Втулка 2
2 50-50-197СП Клапан 2
3 700-38-2914 Пружина 2
4 50-50-210 Корпус 1
5 700-40-3543 Кольцо 1
6 50-50-247 Поршень 1
7 261164 Кольцо 2
8 700-38-2851 Пружина 2
9 50-50-281 Переходник 2
10 700-42-2232 Пробка 4
Гидрооборудование БО